欢迎来到图页网

扫码关注

图页网
微信扫码关注

 
 
扫一扫
信息二维码

用手机查看

关键词
           
分类
地区 排序
 
  • 帕罗肯科技牵手埃斯顿机器人
    帕罗肯科技牵手埃斯顿机器人

    帕罗肯科技和埃斯顿机器人牵手合作,共同致力于推动人工智能技术在的创新和应用。

    2023-12-03 08:56:14
  • 帕罗肯PARAGON一体式I/O模块正式发布

    2022年以来南京帕罗肯科技有限公司全新打造一体式I/O模块,就是集耦合器与 输入输出模块为一体,该模块具有占用空间小,实时性高、模块种类丰富,为用 户高速数据采集、优化系统配置、简化现场配线、提高系统可靠性等提供保障。

    2023-09-13 08:53:10
  • 帕罗肯开展2023年上半年法律培训
    帕罗肯开展2023年上半年法律培训

    2022年7月14日,帕罗肯科技与江苏圣典律师事务所签署协议,为公司长久稳固发展保驾护航。 面对企业运营中充满的各种风险,预防和控制法律风险显得尤为突出和重要。法律顾问对于企业发展过程中法律风险的防控具有显著作用。

    2023-08-02 08:56:01
  • 南京帕罗肯科技超薄系列温度信号隔离器新品发布
    南京帕罗肯科技超薄系列温度信号隔离器新品发布

    南京帕罗肯科技有限公司持续推出自主研发的超薄温度信号隔离器,厚度仅7.5mm,节省安装空间,降低安装成本。

    2021-06-01 08:58:47
  • 南京帕罗肯科技推出超薄款外壳新品发布
    南京帕罗肯科技推出超薄款外壳新品发布

    新品来袭,近日,南京帕罗肯科技有限公司推出自主研发的超薄外壳模拟量输入隔离器,厚度仅7.5mm,节省安装空间,降低安装成本。

    2021-06-01 08:48:09
  • 工业控制 帕罗肯科技远程I/O模块
    工业控制 帕罗肯科技远程I/O模块

    远程I/O意味着I/O模块位于与控制PLC实际距离较远的远程位置。远程I/O模块将通过连接到PLC机架中控制器背板的适配器模块与PLC通讯。是现场总线扩展,专用通讯线缆。远距离性能高。远程I/O模块在传统的工业控制以及DCS系统中也得到广泛应用。

    2021-04-13 20:28:50
  • 南京帕罗肯科技信号隔离器工作原理、功能及选型
    南京帕罗肯科技信号隔离器工作原理、功能及选型

    首先将变送器或仪表的信号,通过半导体器件调制变换,然后通过光感或磁感器件进行隔离转换,然后再进行解调变换回隔离前原信号,同时对隔离后信号的供电电源进行隔离处理。保证变换后的信号、电源、地之间绝对独立。

    2021-03-10 08:49:51
  • 南京帕罗肯科技电流信号中二、三、四线制接线解释
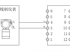
    南京帕罗肯科技电流信号中二、三、四线制接线解释

    以南京帕罗肯科技产品PA-1317为例 四线制仪表使用单独供电电源,传输的信号为有源信号,所以,将信号线直接接在隔离器信号输入端(3+,4-)上。

    2021-03-09 09:22:36
  • 南京帕罗肯科技关于PA-1187与PA-1317的区别
    南京帕罗肯科技关于PA-1187与PA-1317的区别

    南京帕罗肯科技经过多年的现场反馈重新界定PA-1187和PA-1317型号区别如下:

    2021-03-09 09:16:20
  • 自然环境 创新技术 帕罗肯隔离器通过电磁兼容试验
    自然环境 创新技术 帕罗肯隔离器通过电磁兼容试验

    电磁兼容性是指设备或系统在其电磁环境中符合要求运行并不对其环境中的任何设备产生无法忍受的电磁干扰的能力。因此,EMC包括两个方面的要求:一方面是指设备在正常运行过程中对所在环境产生的电磁干扰不能超过一定的限值,即电磁干扰(EMI) ;另一方面是指器具对所在环…

    2021-03-08 10:58:03
  • 帕罗肯科技2020年中国环博会圆满落幕
    帕罗肯科技2020年中国环博会圆满落幕

    热烈庆祝南京帕罗肯科技公司在第21届环博会圆满成功举办,感谢各位新老客户的莅临指导,现场气氛热烈,也感谢现场辛苦付出的同事!帕罗肯专业提供高性价比I/O接口安全方案,

    2020-08-31 08:15:03
相关搜索
您是不是在找?
今日排行
本周排行
本月排行
图页网